Hersteller von Messgeräten
English Česky Africa China Español Français Magyar Polski Sweden USA UAE Deutsch

Temperatursonde Pt1000TG7/C, CINCH-Stecker, Kabel 5 Meter

Temperaturmessfühler Pt1000TG7 sind zur Messung der Oberflächentemperatur fester Stoffe konzipiert.

Der maximale Temperatureinsatzbereich der Sensoren beträgt -50 bis +200 °C und diese Grenzwerte dürfen auch kurzzeitig nicht überschritten werden.
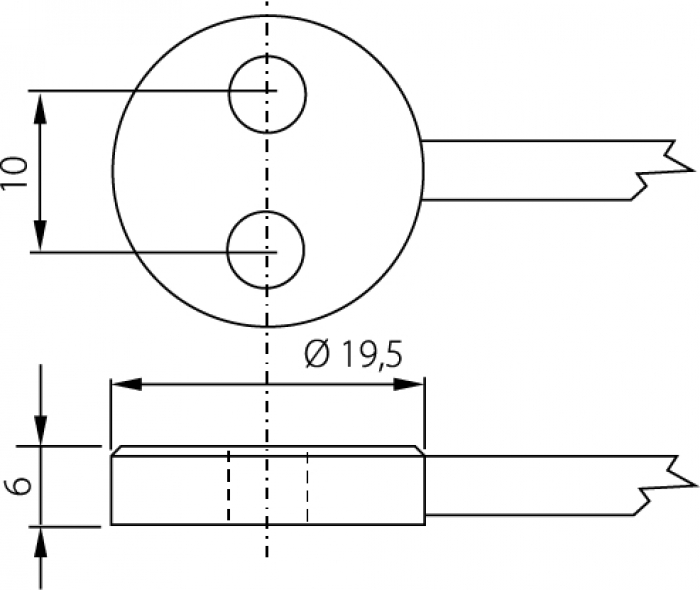
Der verwendete Anschlusskabeltyp verfügt über eine Silikonummantelung und Abschirmung. Die Konstruktion der Sensoren ermöglicht eine schnelle Reaktion auf Temperaturänderungen. Die Sensoren werden mit einer oder zwei M4-Schrauben auf der Oberfläche befestigt.

Die Sensoren sind für den Einsatz in chemisch nicht aggressiver Umgebung ausgelegt. Die Einsatzmethode muss im Hinblick auf die Temperatur- und Chemikalienbeständigkeit des Gehäuses und des Anschlusskabels gewählt werden.

  • Code
    SN166C

Technische Daten

Messwert

Temperatur

TEMPERATURSENSOR

Messbereich -50 bis +200 °C
Genauigkeit ± (0.15 + 0.002 t) bei °C
Genauigkeitsklasse A
Ansprechzeit t0.5 <10 s (auf ebener Fläche des Al-Prismas ohne Paste)
Typ des Messelements Pt1000
Temperaturkoeffizient 3850 ppm / °C

ALLGEMEINE TECHNISCHE DATEN

Drahtanschluss 2-Draht-Anschluss
Gehäusematerial Messing
Gehäuseabmessungen Höhe 6 ± 0.1 mm;
Durchmesser 19.5 ± 0.1 mm;
Befestigungsbohrungen Durchmesser 4.3 ± 0.05 mm
Zuleitungskabel Silikon, abgeschirmt
Länge des Zuleitungskabels 5 Meter
Steckverbinder CINCH
IP-Schutz IP65
Garantie 30 Monate