Temperaturfühler Pt1000TG7/E, ELKA-Steckverbinder, Kabel 2 Meter
Temperaturmessfühler Pt1000TG7 sind zur Messung der Oberflächentemperatur fester Stoffe konzipiert.
Der maximale Temperatureinsatzbereich der Sensoren beträgt -50 bis +200 °C und diese Grenzwerte dürfen auch kurzzeitig nicht überschritten werden.
Der verwendete Anschlusskabeltyp verfügt über eine Silikonummantelung und Abschirmung. Die Konstruktion der Sensoren ermöglicht eine schnelle Reaktion auf Temperaturänderungen. Die Sensoren werden mit einer oder zwei M4-Schrauben auf der Oberfläche befestigt.
Die Sensoren sind für den Einsatz in chemisch nicht aggressiver Umgebung ausgelegt. Die Einsatzmethode muss im Hinblick auf die Temperatur- und Chemikalienbeständigkeit des Gehäuses und des Anschlusskabels gewählt werden.
-
CodeSN165E
Technische Daten
Messwert
Temperatur
TEMPERATURSENSOR
Messbereich
-50 bis +200 °C
Genauigkeit
± (0.15 + 0.002 t) at °C
Genauigkeitsklasse
A
Ansprechzeit
t0.5 <10 s (auf flacher Oberfläche des Al-Prismas ohne Paste)
Art des Messelements
Pt1000
Temperaturkoeffizient
3850 ppm / °C
ALLGEMEINE TECHNISCHE DATEN
Leitungsanschluss
2-Draht-Anschluss
Gehäusematerial
Messing
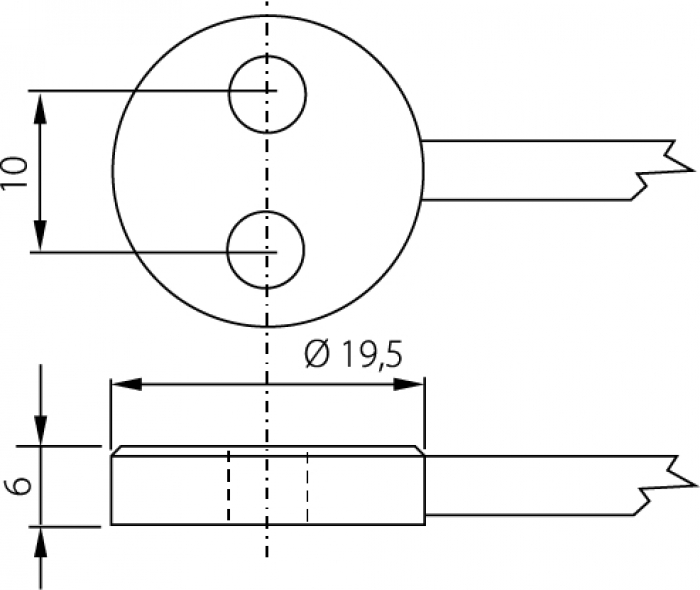
Gehäuseabmessungen
Höhe 6 ± 0.1 mm;
Durchmesser 19.5 ± 0.1 mm;
Befestigungslöcher Durchmesser 4.3 ± 0.05 mm
Durchmesser 19.5 ± 0.1 mm;
Befestigungslöcher Durchmesser 4.3 ± 0.05 mm
Anschlusskabel
Silikon abgeschirmt
Länge des Anschlusskabels
2 Meter
Steckverbinder
ELKA
IP-Schutz
IP65
Garantie
30 Monate
