Hersteller von Messgeräten
English Česky Africa China Español Français Magyar Polski Sweden USA UAE Deutsch

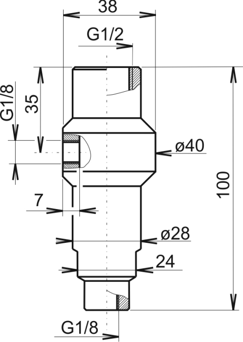
Durchflusskammer für Druckluftmessung bis 25 bar

Durchflusskammer für Druckluftmessung bis 25 bar – Edelstahl DIN 1.4301 Ein- und Auslass-Anschluss – G1/8 Gewinde Feuchtigkeitssonden-Anschluss – G1/2 Gewinde Schraubkupplung nicht enthalten.

  • Code
    SH-PP